

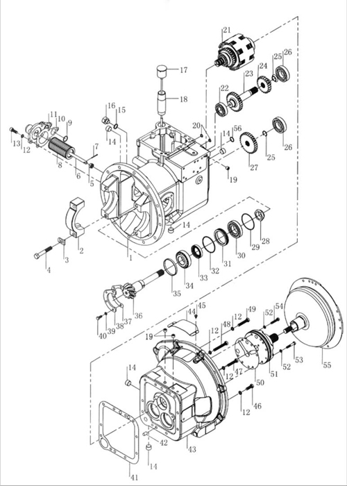
| 序號 | 圖號 | 名稱 | 數量 | 所用型號 |
| 1 | YQX25AS-0102 | 殼體 | 1 | YQX18、YQX25 |
| YQX30AS-0101 | YQX30 | |||
| 2 | YQX25-0101 | 軸承座 | 2 | YQX18、YQX25 |
| YQX30-0102 | YQX30 | |||
| 3 | YQX25-0004 | 鎖片 | 4 | YQX18、YQX25 |
| YQX30-0023 | YQX30 | |||
| 4 | YQX30-0101 | 螺栓 | 4 | 通用 |
| 5 | GB6181-86 | 螺母M12 | 1 | 通用 |
| 6 | YQX30AS-0502 | 螺桿 | 1 | 通用 |
| 7 | GB91-86 | 開口銷3×30 | 1 | 通用 |
| 8 | YQX30AS-0510 | 濾網組件 | 1 | 通用 |
| 9 | GB1235-76 | O形密封圈 | 1 | 通用 |
| 28×2.4 | ||||
| 10 | YQX30AS-0503 | 紙墊 | 1 | 通用 |
| 11 | YQX30AS-0501 | 油濾座 | 1 | 通用 |
| 12 | GB93-87 | 墊圈10 | 14 | 通用 |
| 13 | GB70-85 | 螺釘M10×30 | 5 | 通用 |
| 14 | JB/ZQ4446-86 | 螺塞R1/2 | 5 | 通用 |
| 15 | Q20-03 | 密封墊 | 1 | 通用 |
| 18×24×2 | ||||
| 16 | JDS30-0046 | 螺塞 | 1 | 通用 |
| 17 | YQX30-0400 | 加油器蓋組件 | 1 | 通用 |
| 18 | YQX30-0007 | 加油管 | 1 | 通用 |
| 19 | JB/ZQ4446-86 | 螺塞R1/4 | 3 | 通用 |
| 20 | GB1235-76 | O形密封圈 | 2 | 通用 |
| 15×2.4 | ||||
| 21 | YQX18-1000 | 離合器總成 | 1 | YQX18 |
| YQX30-1000A | YQX25、YQX30 | |||
| 22 | GB276-94 | 球軸承6206 | 1 | 通用 |
| 23 | YQX30-0015 | 惰輪軸 | 1 | 通用 |
| 24 | YQX30-0013 | 惰輪 | 1 | 通用 |
| 25 | GB893.1-86 | 孔用彈性擋圈24 | 2 | 通用 |
| 26 | GB276-94 | 球軸承6207 | 2 | 通用 |
| 27 | YQX30-0012 | 輸出齒輪 | 1 | 通用 |
| 28 | YQX30-0014 | 鎖緊螺母 | 1 | 通用 |
| 29 | YQX30-0016 | 墊片 | 按需 | 通用 |
| 30 | GB297-94 | 軸承30208 | 1 | 通用 |
| 31 | YQX30-0001 | 油封保持架 | 1 | 通用 |
| 32 | GB1235-76 | O形密封圈 | 1 | 通用 |
| 80×3.1 | ||||
| 33 | YQX30-0005 | 輸出軸油封 | 1 | 通用 |
| 34 | GB297-94 | 軸承32208 | 1 | 通用 |
| 35 | YQX30-0003 | 軸環 | 1 | 通用 |
| 36 | YQX18-0001 | 輸出軸 | 1 | YQX18 |
| YQX25-0001 | YQX25 | |||
| YQX30-0011 | YQX30 | |||
| 37 | YQX30-0002 | 墊片 | 按需 | 通用 |
| 38 | YQX30-0004 | 支承片 | 1 | 通用 |
| 39 | GB93-87 | 墊圈8 | 4 | 通用 |
| 40 | GB5783-86 | 螺栓M8×20 | 4 | 通用 |
| 41 | YQX30AS-0001 | 墊片 | 1 | 通用 |
| 42 | GB119-86 | 圓柱銷B12×20 | 2 | 通用 |
| 43 | YQX30H-0201 | 變矩器外殼 | 1 | 通用 |
| 44 | YQX30-0202 | 蓋板 | 1 | 通用 |
| 45 | GB818-85 | 十字槽螺釘 | 2 | 通用 |
| M6×12 | ||||
| 46 | GB5783-86 | 螺栓M10×30 | 4 | 通用 |
| 47 | GB5783-86 | 螺栓M10×50 | 1 | 通用 |
| 48 | GB5783-86 | 螺栓M10×75 | 1 | 通用 |
| 49 | GB5783-86 | 螺栓M10×55 | 3 | 通用 |
| 50 | YQX30-0010 | 墊片 | 1 | 通用 |
| 51 | YQX30-3000 | 油泵總成 | 1 | 通用 |
| 52 | Q20-03 | 密封圈 | 6 | 通用 |
| 8×14×1.5 | ||||
| 53 | GB5780-86 | 螺栓M8×45 | 4 | 通用 |
| 54 | GB5780-86 | 螺栓M8×40 | 2 | 通用 |
| 55 | YQX30H-6000 | 液力變矩器總成 | 1 | 通用 |
| 56 | GB1235-76 | O形密封圈 | 1 | 通用 |
| 24×2.4 |

| 序號 | 圖號 | 名稱 | 數量 | 所用型號 |
| 1 | YQX30-0008 | 墊片 | 1 | 通用 |
| 2 | GB1235-76 | O形密封圈 | 2 | 通用 |
| 11×1.9 | ||||
| 3 | YQX30-4000 | 蓋和控制閥總成 | 1 | 通用 |
| 4 | GB5783-86 | 螺栓M10×55 | 2 | 通用 |
| 5 | GB93-87 | 彈簧墊圈10 | 16 | 通用 |
| 6 | GB5783-86 | 螺栓M10×40 | 6 | 通用 |
| 7 | Q/301 B202 | 紙墊圈 | 2 | 通用 |
| 14×24×2 | ||||
| 8 | JK208 | 倒車燈開關 | 2 | 通用 |
| 9 | YQX30-0300 | 濾油器(Ⅱ) | 1 | 通用 |
| 10 | YQX30-0022 | 襯墊 | 1 | 通用 |
| 11 | YQX30-5000 | 微動閥總成 | 1 | 通用 |
| 12 | GB93-87 | 彈簧墊圈8 | 5 | 通用 |
| 13 | GB5783-86 | 螺栓M8×25 | 3 | 通用 |
| 14 | GB5783-86 | 螺栓M8×50 | 2 | 通用 |
| 15 | YQX25-2000 | 差速器總成 | 1 | YQX18 |
| YQX25-2-2000 | YQX25 | |||
| YQX30-2000 | YQX30 | |||
| 16 | YQX25-0002 | 齒軸 | 1 | YQX18、YQX25 |
| YQX30-0018 | YQX30 | |||
| 17 | YQX30-0019 | 襯套 | 1 | 通用 |
| 18 | YQX18-0002 | 螺旋傘齒輪 | 1 | YQX18 |
| YQX25-0003 | YQX25 | |||
| YQX30-0020 | YQX30 | |||
| 19 | GB297-94 | 軸承32207 | 2 | 通用 |
| 20 | YQX30-0017 | 墊片 | 按需 | 通用 |
| (δ=0.1、0.2、0.5) | ||||
| 21 | YQX30-0021 | 軸承蓋 | 2 | 通用 |
| 22 | GB1235-76 | O形密封圈 | 2 | 通用 |
| 75×3.1 | ||||
| 23 | GB5783-86 | 螺栓M10×25 | 8 | 通用 |

| 序號 | 圖號 | 名稱 | 數量 | 所用型號 |
| 1 | YQX30-1100 | 輸入軸組件 | 1 | YQX18 |
| YQX30-1100A | YQX25、YQX30 | |||
| 2 | YQX30-1006 | 密封環(A) | 4 | 通用 |
| 3 | GB276-94 | 軸承 6206 | 2 | 通用 |
| 4 | YQX30-1007 | 離合器-止推環(B) | 2 | 通用 |
| 5 | K35×42×20 | 滾針軸承 | 2 | 通用 |
| 6 | YQX30-1005 | 倒車檔齒輪 | 1 | 通用 |
| 7 | YQX30-1003 | 前進檔齒輪 | 1 | 通用 |
| 8 | YQX30-1008 | 離合器-止推環(A) | 2 | 通用 |
| 9 | GB894.1-86 | 軸用彈性擋圈 40 | 2 | 通用 |
| 10 | YQX30-1009 | 彈簧座 | 2 | 通用 |
| 11 | YQX30-1004 | 回程彈簧 | 2 | 通用 |
| 12 | YQX30-1014 | 卡環 | 2 | 通用 |
| 13 | YQX18-1001 | 端板 | 2 | YQX18 |
| YQX30-1001 | YQX25、YQX30 | |||
| 14 | YQX30-1013A | 摩擦片 | 6 | YQX18 |
| YQX30-1013B | 8 | YQX25、YQX30 | ||
| 15 | YQX30-1012A | 隔片 | 6 | YQX18 |
| 8 | YQX25、YQX30 | |||
| 16 | YQX30-1002A | 活塞 | 2 | YQX18 |
| YQX30-1002B | YQX25、YQX30 | |||
| 17 | YQX30-1011 | 密封環(B) | 2 | 通用 |
| 18 | YQX30-1010 | 堵塞 | 2 | 通用 |
| 19 | GB308-89 | 鋼球3.1750 G200b | 2 | 通用 |
| 20 | GB1235-76 | O形密封圈40×3.5 | 2 | 通用 |
| 21 | GB78-85 | 內六角螺釘M8×10 | 2 | 通用 |
| 22 | YQX18-1002 | 碟形板 | 2 | YQX18 |
| YQX30-1016 | YQX25、YQX30 |

| 序號 | 圖 號 | 名 稱 | 數量 | 所用型號 |
| 1 | YQX25-2003 | 大齒圈 | 1 | YQX18 |
| YQX25-2-2003 | YQX25 | |||
| YQX30-2003 | YQX30 | |||
| 2 | YQX25-2101 | 差速器右半殼 | 1 | YQX18 |
| HDCS30-1101 | YQX25 | |||
| YQX30-2101 | YQX30 | |||
| 3 | YQX25-2102 | 差速器左半殼 | 1 | YQX18 |
| HDCS30-1102 | YQX25 | |||
| YQX30-2102 | YQX30 | |||
| 4 | YQX30-2104 | 螺栓 | 12 | YQX30 |
| 5 | YQX30-2103 | 鎖片(B) | 6 | YQX30 |
| 6 | GB6176-86 | 螺母M10×1.25 | 12 | YQX18 |
| 28 | YQX30 | |||
| 7 | YQX25-2002 | 螺栓 | 12 | YQX18 |
| HDCS30-1002 | 16 | YQX25 | ||
| YQX30-2002 | 16 | YQX30 | ||
| 8 | YQX25-2001 | 鎖緊墊片 | 6 | YQX18 |
| YQX30-2001 | 鎖片(A) | 8 | YQX30 | |
| 9 | YQX25-2007 | 墊圈 | 2 | YQX18、YQX25 |
| YQX30-2007 | YQX30 | |||
| 10 | YQX25-2009 | 半軸齒輪 | 2 | YQX18、YQX25 |
| YQX30-2009 | YQX30 | |||
| 11 | YQX25-2005/2008 | 十字齒輪軸 | 1 | YQX18、YQX25 |
| YQX30-2005/2008 | YQX30 | |||
| 12 | YQX25-2006 | 行星齒輪 | 4 | YQX18、YQX25 |
| YQX30-2006 | YQX30 | |||
| 13 | YQX25-2004 | 止推墊圈 | 4 | YQX18、YQX25 |
| YQX30-2004 | YQX30 | |||
| 14 | GB276-94 | 深溝球軸承6211 | 2 | YQX18、YQX25 |
| 深溝球軸承6213 | YQX30 |

廈門永新昌公司成立于1993年,是一家集叉車銷售、維修、租賃、配件批發為主營業務的企業,為大多數知名企業提供搬運設備,公司擁有眾多設備資源可供選擇。
Copyright © 1993-2025 廈門永新昌機械設備有限公司 All rights reserved.
銷售熱線:0592-5806900 叉車配件:0592-5814841 網站備案號:閩ICP備17018322號-1








