
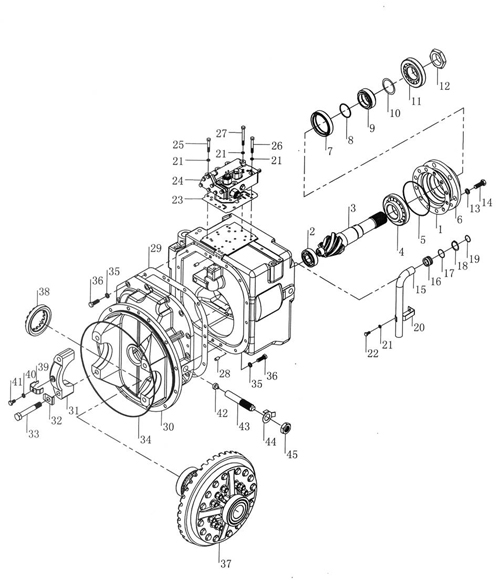
| 序號 | 圖號 | 名稱 | 數量 | 所用型號 |
| 1 | YQX45-0012 | 調整墊片 | 按需 | |
| 2 | GB283-94 | 軸承NUP306EM | 1 | |
| 3 | YQX45-0401 | 主動弧齒錐齒輪 | 1 | |
| 4 | GB297-94 | 軸承31312 | 1 | |
| 5 | GB1235-76 | O形密封圈 | 1 | |
| 150×3.1 | ||||
| 6 | YQX45-0402 | 軸承座 | 1 | |
| 7 | YQX45-0410 | 雙向油封 | 1 | |
| 8 | GB1235-76 | O形密封圈 | 1 | |
| 60×3.1 | ||||
| 9 | YQX45-0403 | 隔套 | 1 | |
| 10 | YQX45-0404 | 調整墊 | 按需 | |
| 11 | GB297-94 | 軸承31311 | 1 | |
| 12 | YQX45-0405 | 螺母 | 1 | |
| 13 | GB93-87 | 彈簧墊圈14 | 6 | |
| 14 | GB5786-86 | 螺栓 | 6 | |
| M14×1.5×40 | ||||
| 15 | YQX45-0601 | 油管 | 1 | |
| 16 | YQX45-0602 | 連接塊 | 1 | |
| 17 | GB3452.1-92 | O形密封圈 | 1 | |
| 31.5×1.8 | ||||
| 18 | GB894.1-86 | 軸用彈性擋圈35 | 1 | |
| 19 | GB3452.1-92 | O形密封圈 | 1 | |
| 25×1.8 | ||||
| 20 | YQX45-0019 | 固定卡板 | 1 | |
| 21 | GB93-87 | 彈簧墊圈8 | 9 | |
| 22 | GB5783-86 | 螺栓M8×16 | 1 | |
| 23 | YQX45-0003 | 紙墊 | 1 | |
| 24 | YQX45-4000 | 控制閥總成 | 1 | |
| 25 | GB5782-86 | 螺栓M8×55 | 3 | |
| 26 | GB5782-86 | 螺栓M8×65 | 4 | |
| 27 | GB5782-86 | 螺栓M8×80 | 1 | |
| 28 | GB119-86 | 圓柱銷B10×20 | 2 | |
| 29 | YQX45-0004 | 紙墊 | 1 | |
| 30 | YQX45-0301 | 減速架 | 1 | |
| 31 | YQX45-0302A | 軸承蓋 | 2 | |
| 32 | YQX45-0305 | 鎖片 | 4 | |
| 33 | YQX45-0303A | 螺栓 | 4 | |
| 34 | YQX45-0304 | O形密封圈 | 1 | |
| 35 | GB93-87 | 彈簧墊圈12 | 14 | |
| 36 | GB5786-86 | 螺栓 | 14 | |
| M12×1.25×35 | ||||
| 37 | YQX45-2000 | 差速器總成 | 1 | |
| 38 | YQX45-0007 | 調整螺母 | 2 | |
| 39 | YQX45-0006 | 鎖片 | 2 | |
| 40 | GB93-87 | 彈簧墊圈10 | 2 | |
| 41 | YQX45-0005 | 六角頭帶孔螺栓 | 2 | |
| 42 | YQX45-0008 | 滑塊 | 1 | |
| 43 | YQX45-0009 | 螺柱 | 1 | |
| 44 | YQX45-0010 | 止動墊圈 | 1 | |
| 45 | GB6173-86 | 螺母M27×2 | 1 |

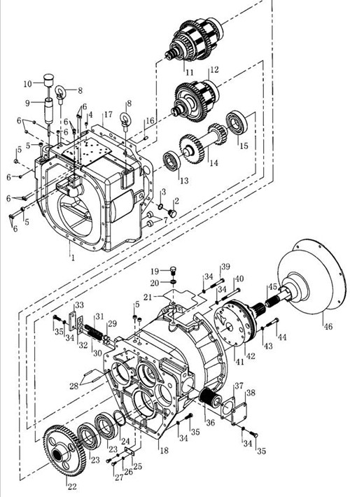
| 序號 | 圖號 | 名稱 | 數量 | 所用型號 |
| 1 | YQX45-0101 | 箱體 | 1 | |
| 2 | YQX45-0102 | 螺塞 | 1 | |
| 3 | Q20-03 | 密封圈22×28×2 | 1 | |
| 4 | YQX45-0020 | 阻尼塞 | 1 | |
| 5 | YQX100-0025 | 螺塞R3/8 | 6 | |
| 6 | YQX100-0024 | 螺塞R1/8 | 12 | |
| 7 | YQX100-0019 | 螺塞R3/4 | 2 | |
| 8 | GB825-88 | 吊環螺釘M16×35 | 2 | |
| 9 | YQX45-0103 | 進油管 | 1 | |
| 10 | YQX30-0400 | 加油器蓋組件 | 1 | |
| 11 | YQX45-1000 | 雙向離合器總成 | 1 | |
| 12 | YQX45-5000 | 單向離合器總成 | 1 | |
| 13 | GB276-94 | 軸承6308 | 1 | |
| 14 | YQX45-0011 | 惰輪軸 | 1 | |
| 15 | GB276-94 | 軸承6310 | 1 | |
| 16 | GB119-86 | 圓柱銷B10×20 | 2 | |
| 17 | YQX45-0002 | 紙墊 | 1 | |
| 18 | YQX45-0201 | 變矩器殼體 | 1 | |
| 19 | GB5783-86 | 螺栓M16×25 | 1 | |
| 20 | GB93-87 | 彈簧墊圈16 | 1 | |
| 21 | YQX45-0202 | 蓋板 | 1 | |
| 22 | YQX45-0014 | 輸出齒輪 | 1 | |
| 23 | GB276-94 | 軸承6214 | 2 | |
| 24 | GB894.1-86 | 軸用彈性擋圈70 | 1 | |
| 25 | YQX45-0015 | 固定板 | 1 | |
| 26 | GB93-87 | 彈簧墊圈8 | 2 | |
| 27 | GB5783-86 | 螺栓M8×16 | 2 | |
| 28 | YQX100-0031 | 銷子 | 2 | |
| 29 | YQX100-0026 | 活塞 | 2 | |
| 30 | YQX100-0030 | 彈簧 | 1 | |
| 31 | YQX100-0029 | 彈簧 | 1 | |
| 32 | YQX100-0028 | 密封墊 | 1 | |
| 33 | YQX100-0027 | 蓋 | 1 | |
| 34 | GB93-87 | 彈簧墊圈10 | 21 | |
| 35 | GB5786-86 | 螺栓 | 16 | |
| M10×1.25×30 | ||||
| 36 | YQX45-0500 | 濾油器 | 1 | |
| 37 | YQX45-0018 | 紙墊 | 1 | |
| 38 | YQX45-0017 | 蓋板 | 1 | |
| 39 | GB5785-86 | 螺栓 | 2 | |
| M10×1.25×70 | ||||
| 40 | GB5785-86 | 螺栓 | 3 | |
| M10×1.25×100 | ||||
| 41 | YQX45-0001 | 紙墊 | 1 | |
| 42 | YQX45-3000 | 油泵總成 | 1 | |
| 43 | JB982-77 | 組合密封墊10 | 7 | |
| 44 | YQX45-0016 | 螺栓 | 7 | |
| 45 | YQX45-0013 | 渦輪軸 | 1 | |
| 46 | YQX45-6000 | YJH315E | 1 | |
| 液力變矩器 |

| 序號 | 圖號 | 名稱 | 數量 | 所用型號 |
| 1 | YQX45-2005 | 十字架 | 1 | |
| 2 | YQX45-2006 | 行星齒輪 | 4 | |
| 3 | YQX45-2004 | 止推墊圈 | 4 | |
| 4 | YQX45-2001 | 半軸齒輪 | 2 | |
| 5 | YQX45-2002 | 墊圈 | 2 | |
| 6 | YQX45-2102 | 左差速器殼 | 1 | |
| 7 | YQX45-2101 | 右差速器殼 | 1 | |
| 8 | YQX45-2007 | 螺栓 | 12 | |
| 9 | GB93-87 | 彈簧墊圈14 | 28 | |
| 10 | GB6176-86 | 螺母M14×1.5 | 12 | |
| 11 | YQX45-2003 | 被動弧齒錐齒輪 | 1 | |
| 12 | GB5785-86 | 螺栓 | 16 | |
| M14×1.5×50 | ||||
| 13 | GB297-94 | 軸承33016 | 2 |
| 序號 | 圖號 | 名稱 | 數量 | 所用型號 |
| 1 | YQX45-1100 | 雙向離合器轂組件 | 1 | |
| 2 | YQX100-1007 | 密封環A | 2 | |
| 3 | YQX100-1008 | 密封環B | 2 | |
| 4 | YQX45-1301 | 離合器活塞 | 2 | |
| 5 | YQX30-1010 | 堵塞 | 2 | |
| 6 | GB308-89 | 鋼球3.1750 G200b | 2 | |
| 7 | YQX100A-1009 | 碟形板 | 2 | |
| 8 | YQX45-1010 | 墊板 | 2 | |
| 9 | YQX100-1006 | 分離片 | 10 | |
| 10 | YQX100-1200 | 內摩擦片 | 12 | |
| 11 | YQX45-1001 | 端板 | 2 | |
| 12 | YQX100-1004 | 彈性擋圈 | 2 | |
| 13 | YQX45-1004 | 彈簧 | 2 | |
| 14 | YQX100-1012 | 彈簧座 | 2 | |
| 15 | GB894.1-86 | 擋圈50 | 4 | |
| 16 | YQX100-1013 | 止推環A | 2 | |
| 17 | GB5846-86 | 滾針軸承K505735 | 2 | |
| 18 | YQX45-1003 | 前進Ⅰ檔齒輪 | 1 | |
| 19 | YQX45-1005 | 后退檔齒輪 | 1 | |
| 20 | YQX45-1007 | 止推墊 | 1 | |
| 21 | YQX100-1001 | 止推環B | 1 | |
| 22 | GB276-94 | 軸承6310 | 1 | |
| 23 | YQX45-1002 | 密封圈 | 1 | |
| 24 | GB276-94 | 軸承6308 | 1 | |
| 25 | GB894.1-86 | 擋圈40 | 1 | |
| 26 | YQX100-1017 | 密封環C | 3 | |
| 27 | YQX100-0024 | 螺塞R1/8 | 2 |

| 序號 | 圖號 | 名稱 | 數量 | 所用型號 |
| 1 | YQX45-1100 | 雙向離合器轂組件 | 1 | |
| 2 | YQX100-1007 | 密封環A | 2 | |
| 3 | YQX100-1008 | 密封環B | 2 | |
| 4 | YQX45-1301 | 離合器活塞 | 2 | |
| 5 | YQX30-1010 | 堵塞 | 2 | |
| 6 | GB308-89 | 鋼球3.1750 G200b | 2 | |
| 7 | YQX100A-1009 | 碟形板 | 2 | |
| 8 | YQX45-1010 | 墊板 | 2 | |
| 9 | YQX100-1006 | 分離片 | 10 | |
| 10 | YQX100-1200 | 內摩擦片 | 12 | |
| 11 | YQX45-1001 | 端板 | 2 | |
| 12 | YQX100-1004 | 彈性擋圈 | 2 | |
| 13 | YQX45-1004 | 彈簧 | 2 | |
| 14 | YQX100-1012 | 彈簧座 | 2 | |
| 15 | GB894.1-86 | 擋圈50 | 4 | |
| 16 | YQX100-1013 | 止推環A | 2 | |
| 17 | GB5846-86 | 滾針軸承K505735 | 2 | |
| 18 | YQX45-1003 | 前進Ⅰ檔齒輪 | 1 | |
| 19 | YQX45-1005 | 后退檔齒輪 | 1 | |
| 20 | YQX45-1007 | 止推墊 | 1 | |
| 21 | YQX100-1001 | 止推環B | 1 | |
| 22 | GB276-94 | 軸承6310 | 1 | |
| 23 | YQX45-1002 | 密封圈 | 1 | |
| 24 | GB276-94 | 軸承6308 | 1 | |
| 25 | GB894.1-86 | 擋圈40 | 1 | |
| 26 | YQX100-1017 | 密封環C | 3 | |
| 27 | YQX100-0024 | 螺塞R1/8 | 2 |

| 序號 | 圖號 | 名稱 | 數量 | 所用型號 |
| 1 | YQX45-5100 | 單向離合器轂組件 | 1 | |
| 2 | YQX100-1007 | 密封環A | 1 | |
| 3 | YQX100-1008 | 密封環B | 1 | |
| 4 | YQX45-1301 | 離合器活塞 | 1 | |
| 5 | YQX30-1010 | 堵塞 | 1 | |
| 6 | GB308-89 | 鋼球3.1750 G200b | 1 | |
| 7 | YQX100A-1009 | 碟形板 | 1 | |
| 8 | YQX45-1010 | 墊板 | 1 | |
| 9 | YQX100-1006 | 分離片 | 5 | |
| 10 | YQX100-1200 | 內摩擦片 | 6 | |
| 11 | YQX45-1001 | 端板 | 1 | |
| 12 | YQX100-1004 | 彈性擋圈 | 1 | |
| 13 | YQX45-1004 | 彈簧 | 1 | |
| 14 | YQX100-1012 | 彈簧座 | 1 | |
| 15 | GB894.1-86 | 擋圈50 | 2 | |
| 16 | YQX100-1013 | 止推環A | 1 | |
| 17 | GB5846-86 | 滾針軸承K505735 | 1 | |
| 18 | YQX45-5001 | 前進Ⅱ檔齒輪 | 1 | |
| 19 | YQX100-1001 | 止推環B | 1 | |
| 20 | GB276-94 | 球軸承6310 | 1 | |
| 21 | YQX100-0024 | 螺塞R1/8 | 1 | |
| 22 | YQX45-5002 | 堵頭 | 1 | |
| 23 | GB276-94 | 球軸承6308 | 1 | |
| 24 | GB894.1-86 | 軸用彈性擋圈40 | 1 | |
| 25 | YQX100-1017 | 密封環C | 2 |

廈門永新昌公司成立于1993年,是一家集叉車銷售、維修、租賃、配件批發為主營業務的企業,為大多數知名企業提供搬運設備,公司擁有眾多設備資源可供選擇。
Copyright © 1993-2025 廈門永新昌機械設備有限公司 All rights reserved.
銷售熱線:0592-5806900 叉車配件:0592-5814841 網站備案號:閩ICP備17018322號-1








